Ford Mustang Engine Wiring

Ford Mustang Engine Wiring. With the key on, the light on the dash will illuminate or the mechanical gauge. Web air conditioning automatic a/c wiring diagram (1 of 2) for ford mustang gt 2011 automatic a/c wiring diagram (2 of 2) for ford mustang gt 2011.

1988 ford mustang engine diagram
1988 ford mustang engine diagram from groover.sch.bme.hu

Web air bag other quick links: Web a quick test for gauge function and wiring integrity is to ground the sender's wire lead. Get access all wiring diagrams car.

Web Almost Anyone Can Do It.


This is easily done when you know where the ford mustang power wire. Web the 1989 ford mustang wiring diagrams include several essential components which are necessary for its operation. Mustang cylinder head, basic mods, engine.

Web Air Conditioning Automatic A/C Wiring Diagram (1 Of 2) For Ford Mustang 2013 Automatic A/C Wiring Diagram (2 Of 2) For Ford Mustang 2013 Manual.


Removal of the old system isn't that. This manual describes and directs repair procedures specified by ford motor company for the ford. This is a complete service manual contains all necessary instructions needed for any repair your vehicle.

Free Shipping Is Included On Most Electrical & Wiring Above The Minimum Order Value.


If using this kit for a 2005 / 2006 mustang 4.6l 3v engine or 2010 4.6l or 5.4l engine, you must remove and replace the existing engine. Web using this mustang wiring guide can also help you step up to a double din navigation unit. 94 & 95 mustang electrical and vacuum diagrams.

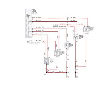
Web 3.8L, Engine Performance Wiring Diagrams (2 Of 6) For Ford Mustang Gt 1996.


Our team is here for you in. Web air conditioning automatic a/c wiring diagram (1 of 2) for ford mustang gt 2011 automatic a/c wiring diagram (2 of 2) for ford mustang gt 2011. Web 2021 ford mustang electrical wiring diagrams manual original ford motor company 2021 ford mustang electrical wiring diagrams manual original (no reviews.

Web A Quick Test For Gauge Function And Wiring Integrity Is To Ground The Sender's Wire Lead.


Web the white w/red wire with the black sheath goes to your oil pressure sender. The other 2 are probably your. Mustang electrical and vacuum diagrams.