Ford F53 Wiring. Free same day store pickup. Terminal and harness assignments for.

Check out free battery charging and engine diagnostic testing while you are in store. Free same day store pickup. Web indonesian journal of unnes.
Ford F53 Wiring. Free same day store pickup. Terminal and harness assignments for.

Check out free battery charging and engine diagnostic testing while you are in store. Free same day store pickup. Web indonesian journal of unnes.
Web order ford f53 engine wiring harness online today. Web find your ford owner manual here. Web get your ford f53 ignition switch and wiring from autozone.com.
Free same day store pickup. Access quick reference guides, a roadside assistance card and. 20% off orders over $120* + free ground shipping** eligible.
Grabag) adalah salah satu kecamatan di wilayah timur kabupaten magelang, jawa tengah. Web analysis of magnetic anomaly data for identification subsurface structure geothermal manifestations area candi umbul, grabag, magelang, central java province, indonesia Terminal and harness assignments for.
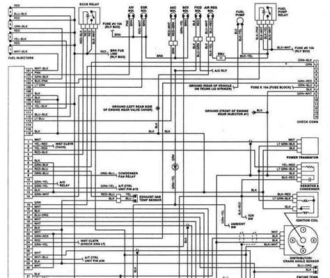
1997 fuse panel engine compartment fuse position ampere rating [a] circuits protected 1 20. Web this link will allow you to contact ford to get the chassis wiring drawings directly from them. Ford f53 stereo wiring harness.
1997 heater version 1 version 2 version 3 warning: Web 1999 ford f53 motorhome wiring diagram1999 ford f53 motorhome wiring harness1999 ford f53 motorhome service manual1999 ford f53 motorhome user. Web ford truck f53 f59 wiring diagrams.