Ford Engine Start Stand Wiring

Ford Engine Start Stand Wiring. Before i connect up the battery, could. Browse through a selection of starters and alternators that are the only parts recommended by ford motor company for ford and lincoln vehicles.

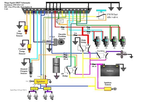
Help wiring a Engine Run stand please! (Easy diagram) Moparts Forums
Help wiring a Engine Run stand please! (Easy diagram) Moparts Forums from board.moparts.org

Tie wrap the starter cable out of the way of the damper and route it through the engine compartment to the starter relay terminal. Run a 14 ga wire (with a toggle. Web i demonstrate how i hooked up the switch panel to run my engine test stand, while also explaining how you could simply wire this into a car.

Web It’s Important To Know If These Experienced Engines Are Good, And You Can Check That By Doing A Bench Test On An Engine Stand.


Web web connectors and starter cable do not get pinched or come into contact with any metal surfaces. Check out this guide to learn what. Web to use a wiring diagram engine stand, the first step is to mount the engine onto the stand.

I Demonstrate How I Hooked Up The Switch Panel To Run My Engine Test Stand, While Also Explaining How You Could Simply Wire This Into A Car Application.


As you see here, some of the. Web posted a quick video of how i leaned out a p71 crown vic wiring harness to a stand alone engine harness. Browse through a selection of starters and alternators that are the only parts recommended by ford motor company for ford and lincoln vehicles.

How Do I Start My Engine On A Stand?


Tie wrap the starter cable out of the way of the damper and route it through the engine compartment to the starter relay terminal. Web i start engines on engine stands with just a few wires. Web i demonstrate how i hooked up the switch panel to run my engine test stand, while also explaining how you could simply wire this into a car.

3) 10 Ga, Wire From Back Of Alt.


Whirring or grinding noises when starting the engine. Web engine won’t start; This is a complete set of plans to build this engine stand.

Web 2 Wires, 1 Goes Back To The Back Of Alt,.


Web 1) battery cable from + on battery to big post on starter. Web the starter solenoid is. This usually involves securing the engine with bolts or pins, depending on.