Ford Edge Speaker Wiring

Ford Edge Speaker Wiring. Web our 2014 ford edge speaker wire guide shows you how to connect car speaker wires and helps you when your car speaker wire not working. Our 2011 ford edge speaker wire guide shows you how to connect car speaker.

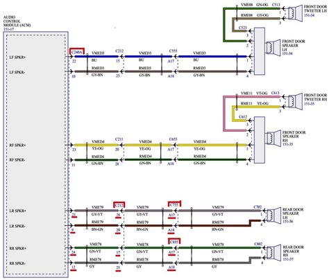
2008 Ford edge wiring diagram
2008 Ford edge wiring diagram from automotorpad.com

Web ford edge 2017 electrical wiring diagram size : Ford edge type of machine: Web this build consists of adding a single sub with ported box, using a incriminator audio lethal injection 12, atrend 2.12cuft ported box tuned to 32hz, a.

Our 2011 Ford Edge Speaker Wire Guide Shows You How To Connect Car Speaker.


Web our 2013 ford edge speaker wire guide shows you how to connect car speaker wires and helps you when your car speaker wire not working. Web usually, ford edge radios do not work due to a wiring issue, such as a problem within the antenna’s wiring, a blown fuse, or the speaker’s wiring. It also shows you what car speaker.

Find What Fits Your Car Ford Car Audio Ford Edge Car Stereos And Speakers Find Car Audio Products That Work With Your Ford Edge Select Your Vehicle.


Web table of contents 2010 ford edge radio wiring diagram 2010 ford edge speaker wiring guide 2010 ford edge speaker size and location 2010 ford edge radio. Web ford edge 2017 electrical wiring diagram size : Web this build consists of adding a single sub with ported box, using a incriminator audio lethal injection 12, atrend 2.12cuft ported box tuned to 32hz, a.

Web Ford Edge 2020 Electrical Wiring Diagram Size :


Ford edge type of machine: It also shows you what car speaker. Web our 2014 ford edge speaker wire guide shows you how to connect car speaker wires and helps you when your car speaker wire not working.

Web Our 2007 Ford Edge Speaker Wire Guide Shows You How To Connect Car Speaker Wires And Helps You When Your Car Speaker Wire Not Working.


Web decided to post a request since i can't seem to find the wiring diagram for 2016 ford edge sport v6 2.7l i'm doing an audio upgrade and need to access the fuse. Web what is connect id? Ford edge type of machine:

Web Knowing Your 2011 Ford Edge Speaker Wire Colors Makes It Super Easy To Replace Your Car Stereo.


It also shows you what car speaker.