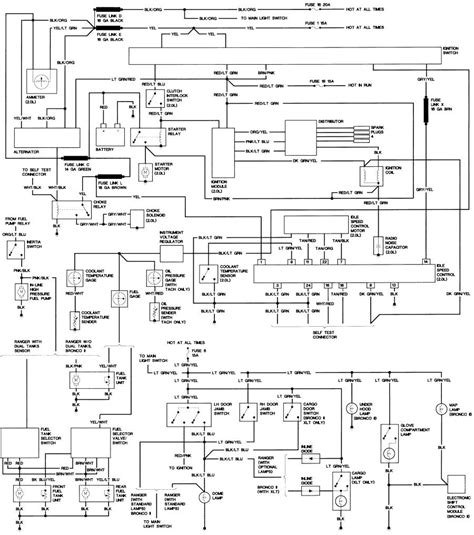
Ford E350 Wiring Schematic

Ford E350 Wiring Schematic. Web when it comes to wiring diagrams, the ford e350 is one of the most difficult vehicles to get a complete and accurate understanding of. Web ford e350 wiring diagrams are essential when it comes to understanding and troubleshooting the electrical system of your ford e350 vehicle.

Ford E350 Wiring Diagram Free Wiring Diagram
Ford E350 Wiring Diagram Free Wiring Diagram from ricardolevinsmorales.com

0 received 2 likes on 2 posts 2013 e350 wiring schematic. Web you can find these diagrams online, or you can purchase a manual from your local auto parts store. Web air conditioning manual a/c wiring diagram (1 of 2) for ford econoline e350 super duty 2012 manual a/c wiring diagram (2 of 2) for ford econoline e350.

Web Fortunately, Ford Provides A Number Of Free Ford F350 Wiring Diagrams To Make The Job Easier.


Web when it comes to wiring diagrams, the ford e350 is one of the most difficult vehicles to get a complete and accurate understanding of. Web by ayesha nabilla | december 24, 2022 0 comment the ford e350 has long been a reliable choice for those who need to transport goods or people from place. These diagrams provide a comprehensive look at the wiring of the.

Original Factory Detailed Wiring Schematics, Illustrations And Component Descriptions Developed By The.


Web ford e350 wiring diagrams are essential when it comes to understanding and troubleshooting the electrical system of your ford e350 vehicle. Web the 1989 ford e350 van wire diagram is an important document for anyone looking to repair or maintain their model of the classic ford van. Web you can find these diagrams online, or you can purchase a manual from your local auto parts store.

Web This Is The Official Manual Of The Dealerships, Written By Ford Specifically For The Vehicle (S) Listed.


Web air conditioning manual a/c wiring diagram (1 of 2) for ford econoline e350 super duty 2012 manual a/c wiring diagram (2 of 2) for ford econoline e350. The wiring harness in this. It consists of two main harnesses that provide power to the radio and the speakers.

A Ford E350 Radio Wiring Diagram Is A Useful Tool For Anyone Who.


Web if you own a ford e350, it's essential to have an accurate wiring diagram for your specific year and model. Web radio radio wiring diagram, with rear entertainment (1 of 2) radio wiring diagram, with rear entertainment (2 of 2) radio wiring diagram, without rear. 0 received 2 likes on 2 posts 2013 e350 wiring schematic.

The Ford E350 Starter Wiring Diagram Is Composed Of Several Components That Work Together To Power.


Web the components of the ford e350 starter wiring diagram. Web the ford e350 radio wiring diagram is actually quite easy to follow. This ensures you get the job done right the first time.