Ford 390 Engine Wiring Schematic

Ford 390 Engine Wiring Schematic. We also provide technical specs for the 390 ford v8 as well as engine parts. Web ford 390 engine wiring schematic wiring manual pdf:

Ford 390 Engine Part Diagram Wiring Diagram Library
Ford 390 Engine Part Diagram Wiring Diagram Library from jennyofelefantz.blogspot.com

Web wiring diagrams and misc. Web ford 390 engine wiring. Honda 390 wiring diagram schematicfixgibson123.z19.web.

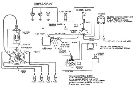
145 Ford Tractor Wiring Diagram :


The diagrams below have been scanned so as to ensure maximum detail (big files!). Web ford engine schematics diagram components truck cylinder f150 wiring 2000 assembly fordification technical related drawing 1992 excursion 1969 1965 f100. This ford 390 engine part diagram has 400px x 300px resolution.

This Ez To Read Firing Order For The Ford Fe Big Block Series Of Engines.


Certain model years have individual wiring diagrams available through helm without a subscription. Web ford 390 engine wiring schematic wiring manual pdf: 76 ford truck wiring diagram ford 390 engine wiring.

Web Ford 390 Engine Part Diagram Wiring Diagram Library From Jennyofelefantz.blogspot.com.


October 1966 marked the first year for the company's debut beautiful. Web web web ford 390 engine part diagram is free image that you can download for free in fix it. From cylinder heads and oil pans to water pumps and.

Web Fairlane Diagrams F100 Wire Bookingritzcarlton.


Web to view wiring diagrams and misc. Web from 01.02.1995, to 31.05.1996, 2.0l dohc efi (115ps), manual transmission, rhd, less air conditioning,. These diagrams are from the 1965 edition of the 'national automotive service' wiring diagrams book.

If Would Like To Know More About The 390 Or Other Ford Engines Then Take A Moment To Check Us Out.


Erica (friday, 26 november 2021. The wire on the starter solenoid 's' terminal should come from the 's' (start) terminal of the ignition key. Fordclassics.com lists the bore on the ford 390 as 4.05 inches and the stroke as 3.78 inches.