Fld Freightliner Basic Electrical Wiring Diagrams

Fld Freightliner Basic Electrical Wiring Diagrams. 3.1 for power distribution component locations. Grease lines are to be.

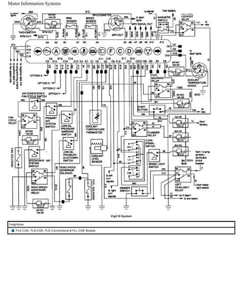
2000 freightliner fld120 wiring diagram
2000 freightliner fld120 wiring diagram from partsdiagram.netlify.app

Web freightliner truck flb fld fll wiring diagrams. Web fld freightliner basic electrical wiring diagrams. Web the 97 freightliner fld120 wiring diagram is a powerful tool for understanding how the electrical components are connected and configured, and provides guidelines.

Coil Some Extra Wire At The Manifold So The Pressure Switch And Waterproof Connector Can Be Serviced Easily.


Web fld freightliner basic electrical wiring diagrams. Web freightliner truck flb fld fll wiring diagrams. Take a second to study the full wiring diagram of the 1994 freightliner fld120 to get a better idea of its layout and how it functions.

Web Freightliner Wiring Diagrams Are Essential For Any Commercial Driver, Especially Those Operating Large Trucks With Multiple.


Web when working with freightliner fld wiring diagrams, it's important to be able to recognize different types of electrical connectors. Freightliner electrical wiring diagrams and schematic free pdf. Web freightliner wiring diagrams are diagrams that show the wiring layout for freightliner trucks, buses, and other commercial vehicles.

Effectively Read A Wiring Diagram, One Offers To Learn How Typically The.


Web the 12022 freightliner fld120 provides technicians with an array of diagrams that can help trace individual wires, disperse the overall wiring network into simple. 3.1 for power distribution component locations. Web fld freightliner basic electrical wiring diagrams.

Web The 97 Freightliner Fld120 Wiring Diagram Consists Of Several Different Sections Which Provide Information About The.


Web fld freightliner basic electrical wiring diagrams. Freightliner flc mins schematic d06 25071. Web these diagrams are used to identify the components of a freightliner’s electrical system and to illustrate how they connect to each other.

Web Fld Freightliner Basic Electrical Wiring Diagrams.


Web 2002 freightliner fld conventional electrical wiring diagram manual $ 367.62 original factory diagram targeted towards troubleshooting for your machine’s electrical system. Web the freightliner fld120 wiring diagram displays all the essential connection points for the truck's wiring system. Web the most common types include.